THE 555 TIMER IC

An Interview with Hans Camenzind

Oral History – (Continued)

 

 

 

    

              

 

 

Go To Camenzind Oral History,Page 7

 

 

 

 

 

 

 

 

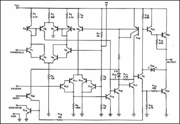
The above photo is a comparison of the size and quantity of all the discrete components that would be required to reproduce the circuitry contained in the 555 IC.  The scan to the left is a reproduction of the 555 equivalent circuit, as documented in the original Signetics 555/556 application notes booklet.  There are 23 transistors shown, 15 resistors and two diodes.  Similar discrete components from that timeframe are shown in the photo above, along with a single 555 in the center of the photo.  There are very obvious savings in terms of expense, physical size, power requirements and complexity to be gained by using the 555, instead of the discrete components.  Multiply this savings by a factor of several billion (to account for the number of 555 chips sold since 1972) and the enormous impact of this IC becomes apparent.

 

COPYRIGHT © 2004 by Jack Ward.  All Rights Reserved.  http://www.transistormuseum.com/

PAGE 6